 |
|
|
产 品 编 号 |
规
格
|
|
BTO-220
|
TO-220 1.5 xφ6.1
|
|
BTO-220A
|
TO-220 2.0 xφ6.1
|
|
BTO-220B
|
TO-220 2.5 xφ6.1
|
|
BTO-3
|
TO-3 2.5 xφ7.9
|
|
BTO-3B
|
TO-3 1.8 xφ8.2
|
|
BTO-3C
|
TO-3 1.7 xφ15.9
|
|
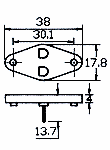
BTO-3D
|
TO-3 1.5 x11 x 39.1
|
|
BTO-3E
|
TO-3 1.35 xφ11.9
|
|
BTO-3F
|
TO-3 1.5 xφ16
|
|
绝
缘
粒
图
片
|

|

|

|

|

|
|
编号
|
BTO-220
|
BTO-220A
|
BTO-220B
|
BTO-220C
|
BTO-220D
|
|
品名
|
绝缘粒
|
绝缘粒
|
绝缘粒
|
绝缘粒
|
绝缘粒
|
|
绝
缘
粒
图
片
|

|

|

|

|

|
|
编号
|
BTO-220E
|
BTO-3
|
BTO-3A
|
BTO-3B
|
BTO-3C
|
|
品名
|
绝缘粒
|
绝缘粒
|
绝缘粒
|
绝缘粒
|
绝缘粒
|
|
绝
缘
粒
图
片
|

|

|

|

|

|
|
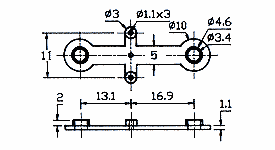
编号
|
BTO-3C1
|
BTO-3C2
|
BTO-3E
|
BTO-3F
|
BTO-3H
|
|
品名
|
绝缘粒
|
绝缘粒
|
绝缘粒
|
绝缘粒
|
绝缘粒
|
|
绝
缘
粒
图
片
|

|

|

|

|

|
|
编号
|
BTO-3-SOCKET
|
BTO-W-1
|
BTO-W-2
|
BTO-PLASTIC
|
BTO-COPPER
|
|
品名
|
绝缘粒插座
|
绝缘粒
|
绝缘粒
|
塑胶绝缘粒
|
铜头绝缘粒
|
|
绝
缘
粒
图
片
|

|

|
|
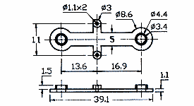
编号
|
BTO-3D
|
BTO-3D1
|
|
品名
|
绝缘粒(十字型)
|
绝缘粒(十字型)
|
|
 |