 |
|
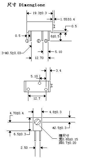
3006型玻璃釉预调电位器(3006 Trimmer
Potentiometers)
电气特性(Electrical
Characteristics)
标称阻值范围
(Standard Resistance Range)……50Ω~2MΩ
阻值允许偏差
(Resistance Tolerance) ……………±10%
终端电阻
(Absolute Minimum Resistance)…≤1%R或10Ω
接触电阻变化
(Contact Resistance Variation)
…………………………………………CRV≤3%或5Ω
绝缘电阻
(Insulation Resistance)…R1≥1GΩ(100Vac)
耐电压
(Withstand Voltage)……………………640Vac
有效行程
(Effective Travel)……………22 turns nom
环境特性(Environmental
Characteristics)
额定功率
(Power Rating)(315 volts max)
………………………………0.75W@70℃,0W@125℃
温度范围
(Temperature Range)………………-55℃~125℃
温度系数
(Temperature Coefficient)………±250ppm/℃
温度变化
(Temperature Variation)
………………………………-55℃,30min,+125℃
……………………………30min循环5次5cyccles
………………………△R≤5%R,△(Uab/Uac)≤5%
振动
(Vibration)……………10~500Hz,0.75mm,6h,
………………………△R≤2%R, △(Uab/Uac)≤3%
碰撞
(Collision)……390m/s2,4000cycles,△R≤2%R
70℃耐久性
(Electrical Endurance at 70℃)
………………………………………… 0.75W@70℃
………………1000h, △R≤5%R,CRV≤3% or 5Ω
机械寿命
(Rotational Life)………200周(200cycles)
………………………△R≤10%R,CRV≤3% or 5Ω
物理特性(Physical
Characteristics)
起动力矩
(Starting Torque)……………………≤35mN·m
标志
(Marking)………阻值允许偏差(±10%不标注)
………阻值代码、产品型号Resistance Tolerance
…(when no identification, it is of±10%)
……………………………Resistance Code、Model
标准包装
(Standard Packaging)
………………………25只/管(50pcs,per tube)
|
 |