 |
|
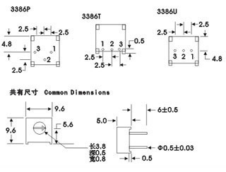
3386型玻璃釉预调电位器(3386Trimmer
Potentiometers)
电气特性(Electrical
Characteristics)
标称阻值范围
(Standard Resistance Range)…50Ω~2MΩ
阻值允许偏差
(Resistance Tolerance) …………±10%
终端电阻
(Absolute Minimum Resistance)
……………………………………≤1%R或10Ω
接触电阻变化
(Contact Resistance Variation)
………………………………………
CRV≤3%
绝缘电阻
(Insulation Resistance)
…………………………R1≥1GΩ(100Vac)
耐电压
(Withstand Voltage)……………600Vac
有效行程
(Effective Travel)………………300℃
环境特性(Environmental
Characteristics)
额定功率
(Power Rating)(315 volts max)
………………………0.5W@70℃,0W@125℃
温度范围
(Temperature Range)……-55℃~125℃
温度系数
(Temperature Coefficient)
……………………………… ±250ppm/℃
温度变化
(Temperature Variation)
………………………-55℃,30min,+125℃
……………………30min循环3次3cyccles
………………△R≤5%R,△(Uab/Uac)≤10%
碰撞
(Collision)
…………100m/s2,1000cycles,△R≤2%R
…………………………△(Uab/Uac)≤10%
70℃耐久性
(Electrical Endurance at 70℃)
…………… 0.5W@70℃,1000h ,△R≤10%R,
………△(Uab/Uac)≤10%,CRV≤3% or 5Ω
机械寿命
(Rotational Life)………200周(200cycles)
………………△R≤10%R,CRV≤3% or 5Ω
物理特性(Physical
Characteristics)
起动力矩
(Starting Torque)…………≤35mN·m
标志
(Marking)
……………阻值允许偏差(±10%不标注)
……阻值代码、产品型号Resistance
Tolerance
(when no identification, it is of±10%)
…………………Resistance
Code、Model
标准包装
(Standard Packaging)
………………50只/管(50pcs,per
tube)
|
 |